logo
Меню
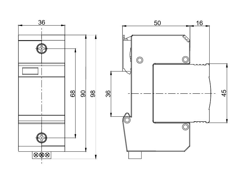
111 103.jpg 320-25 (1) габариты.JPG IMGP3839.png 111003.png

РИФ-Э-I+II 320/25 с (1) / РИФ-Э-I+II 320/25 (1)

  • Артикул 111003, 111103
  • Класс защиты I+II
  • Uc 320 B
  • Iimp 25 кА
  • In 50 кА

Что бы узнать цену и купить УЗИП класса I+II, обращайтесь к нашим менеджерам.

Мощное однополюсное УЗИП класса I+II коммутирующего типа со сменным модулем на основе мультиэлектродного газонаполненного разрядника и базы для подключения к сети.

УЗИП выдерживает токовые нагрузки, соответствующие УЗИП класса I, а по способности ограничения импульсных напряжений, допустимых для изоляции оборудования, соот- ветствует УЗИП класса II.

Устанавливается в пределах 0А(В) – 1 зон молниезащиты (в соответствии с ГОСТ Р МЭК 62305-1 и СО-153-34.21.122).

Предназначено для защиты фазного проводника L/N, L/PEN, L/PE.

Рекомендуемый номинал предохранителя не менее 125 А gL/gG/

УЗИП снабжено 

  • визуальным индикатором;
  • контактами дистанционной сигнализации повреждения рабочего элемента (модификация с буквой «с»).

Технические характеристики

Наименование параметра РИФ-Э-I+II 320/25 (1) РИФ-Э-I+II 320/25 c (1)
Тип системы заземления 
TN-C, TN-C-S, TN-S, TT, IT

Максимальное длительное рабочее напряжение


320 В
Импульсный ток (10/350 мкс)
Iimp
25 кА
Номинальный разрядный ток
(8/20 мкс)
In
50 кА
Максимальный разрядный ток
(8/20 мкс)
Imax
75 кА
Уровень напряжения защиты

≤1,5 кВ
Способность гашения сопровождающего переменного тока
If
5 кА
Время срабатывания
tA
≤100 нс
Диапазон рабочих температур
Tu
От -40С до +80С
Категория исполнения
(ГОСТ 14254)

IP 20

Установка на

DIN-рейка 35 мм

Сечение соединительных проводов

4 мм2 - 35 мм2

Контакт дистанционной сигнализации
-
Переключающий контакт
Питание контакта дистанционной сигнализации, перем. ток
-
250 В/0,5 А
Питание контакта дистанционной сигнализации, пост. ток
-
250 В/0,1 А;
125 В/0,2 А;
75 В/0,5 А
Сечение подключаемых проводников для клемм дистанционной сигнализации
-
Макс. 1,5 мм2
Артикул
111 003
111 103

Публикации в профильных изданиях